Охладители
Охладитель О123 для таблеточных диодов и тиристоров
Охладители
| Перепад давления [Па]: | 20 |
| Тепловое сопротивление Скорость воздуха 6 м/с [°С/Вт]: | 0,212 |
| Тепловое сопротивление (мощность рассеивания) естественное охлаждение [°С/Вт (Вт)]: | 0,710 (120) |
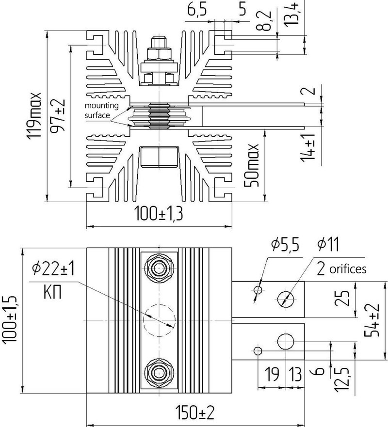
| Габаритные размеры без токовода (ширина/длина/ высота) [мм]: | 126x100x122 |
| Диаметр резьбового отверстия (контактной площадки) [мм]: | (22) |
| Масса (без токовода) [кг]: | 1,58 (1,45) |
- Документы и сертификаты
- Информационный лист Охладитель О123 для таблеточных диодов и тиристоров
- Описание
Описание
Охладители О123 предназначены для силовых диодов и тиристоров в корпусах А1 таблеточного исполнения.
Мощность рассеивания при естественном охлаждении составляет 120 Вт. Преимуществом такого вида охлаждения являются простота конструкции и бесшумность в работе, высокая надежность, низкая стоимость, удобство эксплуатации и ремонта. В более интенсивных режимах работы рассеиваемая мощность может быть увеличена за счет принудительного охлаждения.
Охладитель изготавливается из алюминия, благодаря чему его вес составляет всего 1,58 кг с тоководом.
Монтаж осуществляется при помощи болтов, для чего в основании радиатора имеются резьбовые отверстия. Для обеспечения оптимальных параметров теплоотведения при монтаже силовых приборов обязательно следует обеспечить равномерность сжатия по всей поверхности охладителя и соблюсти заданное усилие сжатия.
Компактные размеры делают О123 хорошим выбором для применения в ограниченном пространстве.
Протон-Электротекс самостоятельно проектирует и изготавливает охладители для своих полупроводниковых приборов, что позволяет компании предлагать максимально экономичные решения для надежного отведения тепла.
По запросу клиента Протон-Электротекс готов подобрать оптимальную модель охладителя для конкретных режимов работы. Также возможны поставки готовых к работе силовых полупроводниковых приборов в сборке с охладителем.
Чтобы купить охладитель О123, узнать стоимость или получить техническую консультацию, просим обращаться в отдел продаж по телефону +7 4862 440455 или адресу marketing@proton-electrotex.com.
Особенности
- подходит для одностороннего и двухстороннего охлаждения СПП;
- имеет габаритные размеры 150×100×119 мм промышленного стандарта;
- легко устанавливается;
- подходит для применения в разнообразных условиях окружающей среды;
- имеет низкий перепад давления при принудительном охлаждении 20 Па.
- Где применяются
Применяется для одностороннего и двухстороннего охлаждения таблеточных диодов и тиристоров
-
Дополнительная информация
Пример маркировки охладителей:
О
221
-
60
-
УХЛ2
О – охладитель воздушный
Конструктивное исполнение
Длина охладителя, мм
Климатическое исполнение по ГОСТ 15150: УХЛ2, В2




